你真的吃透了电阻的用法?
电阻作为一种最基本电子元器件,广泛运用在各种电路中,通常我们也认为电阻是用法最简单的一种电子元器件,除了功率外,没有过多的讲究。
如果今天我说就这个小小的电阻,许多资深电子工程师都不一定真正懂得如何用,您相信吗?
01
在选用电阻的时候,如果避除高频电路的特殊应用,一般我们只考虑电阻的功率,对于普通工程师,只要能通过流过电阻的电流选择合适的功率,就可算做合格,如果能考虑到瞬时功率,就可以算做不错的工程师。
注:以下内容谨代表个人对一些实际应用做出的理解,不一定完全正确,只做参考。
先看一个简单的电路图,是通过采样电阻R1和R2对流过LED灯的电流采样,然后调整PWM输出,以保证不同电压下流过LED灯的电流恒定。

2.多个电阻可以通过电阻的组合得出更理想的电阻值,比如实际应用中1.95欧电阻比2欧电阻更合适,如果想直接买一个1.95欧的电阻肯定没有两个3.9欧的电阻方便,因为3.9欧是标准阻值,而1.95欧不是。
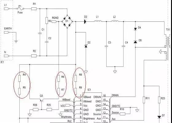
再看一个电源类产品中常见的电路,这个电路就更加“古怪”,图中是R4和R5串联、R6和R7串联、R8和R9串联。

这个电路中R4和R5的阻值之和通常为1M~1.5M,也就是说只要这两个电阻的阻值和在这个范围内都可以接受,对电路功能没有明显影响。于是这里就引出一个疑问,为什么这里要用两个电阻串联呢?
02
如果是功率原因,就算是230V的交流,一个1M的电阻承受的功率会符合此公式:
这种电路涉及到电阻两个容易被大家忽略的参数“最大耐压值”和“最大工作电压”,电阻除了阻值、额定功率外,还有两个重要参数是最大耐压值和最大工作电压,比如常见的1/4W插件电阻,通常最大耐压值是500V、最大工作电压为250V。
再来看上面的电路,如果我们把R4和R5合并成一个1/4W 1M的插件电路,功率上讲是没有问题的,但是230V交流通过整流桥后可以产生最高325V的直流电压,这样就会让这个电阻长时间工作在300V左右的电压下,时间一长,就会损坏这个电阻。
微信小程序
浙公网安备 33010502006866号