如何用BUCK电路简单实现一个可靠的负电源?
在对信号线性度放大要求非常高的应用需要使用双电源运放,比如高精度测量仪器、仪表等;那么就需要给双电源运放提供正负电源。
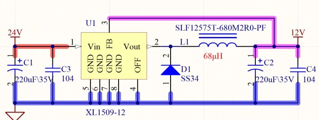
我们常用的BUCK降压电路能得到正电压,如图1所示。

图1:BUCK降压电路正电压输出
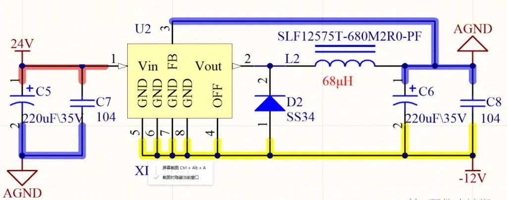
其实BUCK降压电路在不改变元器件参数的情况下能变换得到与正电压相同输出能力的负电压,如图2所示;其工作原理和正电压输出是一样的,得到的电源质量也很高。

图2:BUCK降压电路负电压输出
以上两个电路图的元器件型号都是正确的,可以直接使用。
另外由电容、二极管和振荡器组成的负压电荷泵也能实现负电压,由于二极管的存在会损失一部分压降,容易受负载影响且纹波较大,输出能力有限,对电源质量要求高的建议不要使用。

图3:负压电荷泵
微信小程序
浙公网安备 33010502006866号