首页
在线计价
PCB计价
FPC计价
SMT/DIP计价
PCBA配单
钢网计价
产品与服务
PCB
HDI高密度互连板
铝基板
FPC挠性板
PCBA配单
SMT/DIP服务
钢网
薄膜开关面板
钣金
CNC
模具注塑
整机制造
技术支持
产品展示
技术资料
DFM
Datasheet
为什么选择捷配
PCB&PCBA制造服务平台
常见问题
登录
注册
技术资料
搜索
立即计价
首页
PCB资讯
PCB设计
PCB知识
PCB制造
PCB软件
资料下载
高速PCB设计中的EMI控制措施
PCB设计
2019-11-27 15:10:00
阅读:806
简述PCB线路板的可靠性设计
PCB设计
2019-11-26 18:37:00
阅读:792
高速PCB板串扰和噪声的抑制方法
PCB设计
2019-11-23 16:53:00
阅读:1004
关于快递费调整的通知
PCB设计
2019-11-22 16:40:00
阅读:17217
电路板焊接前的检查方法
PCB设计
2019-11-22 11:38:00
阅读:1182
PCB过孔塞孔盖油和过孔开窗的区别
PCB设计
2019-11-21 17:04:00
阅读:1739
PCB拼板方式及注意事项
PCB设计
2019-11-20 09:33:00
阅读:1681
使用Altium Designer 软件生成PCB文件
PCB设计
2019-11-19 15:19:00
阅读:1053
捷配元器件平台上线!
PCB设计
2019-11-18 16:20:00
阅读:2517
关于PCB过孔的处理方式
PCB设计
2019-11-18 11:05:00
阅读:1976
通嘉科技:国内第一款500V高压启动PWM IC,专注设计电源管理IC
PCB设计
2019-11-16 13:44:00
阅读:206
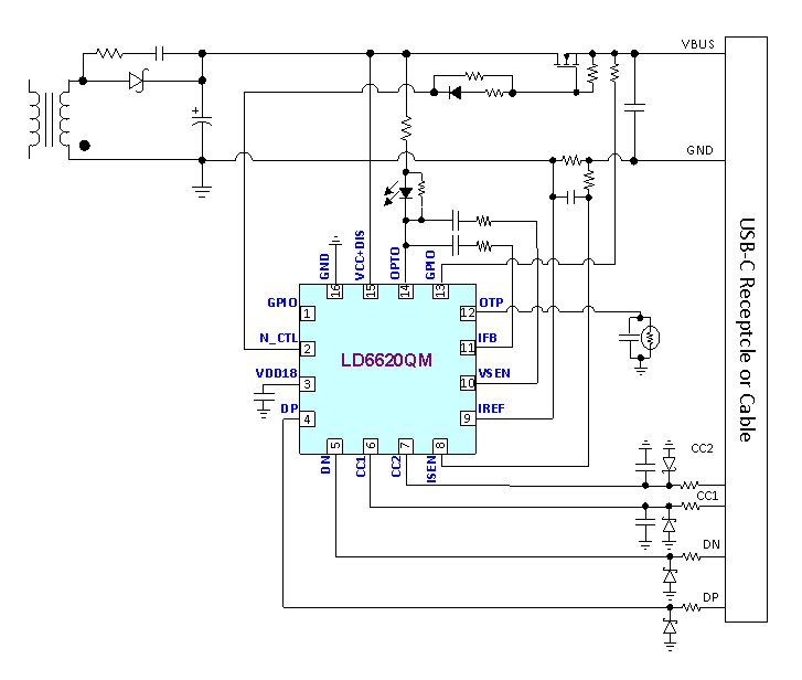
多款同步整流IC成功应用在高功率可重复烧录USB C+A多口输出电源配置
PCB设计
2019-11-16 13:35:00
阅读:214
【产品】小封装高效AC-DC控制器 LD5523,功耗低于60mW
PCB设计
2019-11-16 11:54:00
阅读:240
【产品】6W/12W小封装充电IC LD7513/LD7515,提供精准电流控制
PCB设计
2019-11-16 11:50:00
阅读:234
【产品】高性能超低功耗无线 SOC,加速产品原型设计
PCB设计
2019-11-16 11:47:00
阅读:206
上一页
282
283
284
285
286
287
下一页
热门推荐
1
建滔集团发布2026年新一轮涨价通知,覆铜板产品价格上调10%
2026-03-10
2
2025-2031年中国新型储能行业发展报告:技术多元爆发,迈入高质量发展新阶段
2026-03-10
3
2025-2031年中国半导体材料行业发展报告:高端攻坚破局,国产化替代进入深水区
2026-03-25
4
AI算力爆发驱动PCB需求激增 头部企业掀起百亿级扩产潮
2026-03-20
5
PCB上游材料告急!全线涨价最新汇总
2026-03-13
6
共封装光学(CPO)引擎与PCB光接口设计:技术融合与协同进化
2026-03-18
7
2025-2031年中国汽车智能化行业发展报告:芯片攻坚破局,高阶智驾迈入规模化落地期
2026-03-19
8
PCB V?Cut(V 割)拼板全解析—原理、设计规范、适用场景与量产避坑
2026-03-18
9
覆铜板成本承压,宏瑞兴宣布全线产品涨价10%
2026-03-10
10
PCB钻孔工艺核心要点—刀具选型、参数控制与孔壁质量管控
2026-03-09
热门标签
大电流PCB
阻抗电路板
医疗电子FPC
电池PCB
PCB覆铜板
单双面PCB
1.6mm PCB
5G毫米波PCB基板
透明柔性电路板
半导体封装基板
PCB阻抗
刚性PCB
AI服务器高速PCB
AI服务器高多层PCB
AI服务器PCB
6层PCB
超厚PCB
可穿戴FPC
8层主流板
高频高速PCB
铝基板PCB
氮化铝陶瓷基板
高频混压PCB
大功率PCB
环保无卤PCB
贴片元件PCB
穿孔元件PCB
聚四氟乙烯基板
光波导电路板
金属基板
最新PCB产品
单面板
FR4电路板
高TG线路板
高多层PCB线路板
FPC柔性电路板
软硬结合板
厚铜PCB板
HDI高密度互连板
铝基板
高频高速PCB板