一次性稿定光耦合电路!简单实用!
一、光耦合器
光耦合器是在两个隔离电路之间传输电信号的电子元件,也就是说将电信号从一个电路传输到另一个电路。(具体的如下图所示。)

光耦合器
光耦合器也称为光隔离器、光耦合器或光隔离器。
通常在电路中,尤其是低电压或高噪声敏感电路中,光耦合器用于隔离电路以防止电气碰撞机会或排除不需要的噪声。
二、光耦耦合器的内部结构

光耦合器的内部结构
上图为光耦合器的内部结构。左侧的 1引脚和 2 引脚外露,是一个 LED。LED向光敏三极管发出红外光在右侧。
光电晶体管是通过其集电极和发射极来切换输出电路,在这一点上与典型的 BJT 晶体管相同。
LED 的强度直接控制光电晶体管,因为两个独立的电路可以由光耦合器控制。
另外,光电晶体管和红外 LED 之间的空间是透明的非导电材料,隔离了两个不同的电路。LED 和光电晶体管之间的中空空间可以使用玻璃、空气或透明塑料制成,电气隔离要高得多,通常为10 kV或更高。
三、光耦合器工作原理
光耦合器由作为 LED 的发射器和作为光敏元件的接收器组成。
当 LED 发出光并且光照射到光电传感器(光电二极管、光电晶体管、PhotoTriac)上时,光电传感器开始流动电流。在这个系统中,输入光与输出端的电流成正比。

光耦合器工作原理
当给 LED 供电时,LED 发光,光线落在光电晶体管的基极上,光落在光电晶体管的基极上后,将被激活,并且可以控制与晶体管相连的输出电路。
这里输入电路只连接光耦的 LED 引脚,输出电路连接光电晶体管,输入和输出电路完全电气隔离。

光耦合器工作原理动图
四、光耦合器的工作模式
1、饱和模式
在饱和模式下,LED 将打开或关闭,因此,输出晶体管完全关闭或完全打开,这意味着导通或非导通模式。
此模式用于需要保护微控制器引脚免受输出电路高压影响的地方。例如,在使用微控制器的电机驱动中,电机需要高电流和高电压。在此模式下,电机将完全开启或关闭。
2、线性模式
在这种模式下,LED 会得到一个变化的信号脉冲。LED 光线通过电压或信号样本来改变或控制,然后光电晶体管还为输出提供可变传导。
用于开关模式电源 (SMPS) 或控制需要在输出端进行错误检测的不同电路。
3、光电二极管与光电晶体管光耦合器
光电二极管光电耦合器在电流和光之间的线性关系上优于光电晶体管光电耦合器。尽管光电晶体管光耦合器可以通过改变进入光电晶体管基极的 LED 光束来传递宽频率的模拟音频信号。当光束到达其基极时,晶体管的输出会发生变化以放大。但在高频处可能会出现一些失真。
尽管光电二极管的输出信号幅度远小于光电晶体管提供的输出,但光电二极管光耦的输入光和输出电流关系在大多数音频和一些数字信号中都很好。

光电二极管与光电晶体管光耦合器
五、光耦合器类型
1、光晶体管光电耦合器

基于晶体管的光耦合器用于直流电路相关的隔离。
在上图中,内部结构显示在光电晶体管光电耦合器内部。晶体管类型可以 PNP,也可以是 NPN。
根据输出引脚的可用性,光电晶体管可以进一步分为两种类型。在左边的第二张图片中,有一个额外的引脚输出,在内部与晶体管的基极相连。
该引脚 6 用于控制光电晶体管的灵敏度。该引脚通常用于使用高阻值电阻与地连接或负极连接。在这种配置中,可以有效地控制由于噪声或电气瞬变引起的误触发。
此外,在使用基于光电晶体管的光耦合器之前,必须知道晶体管的最大额定值。PC816、PC817、LTV817、K847PH是少数广泛使用的基于光电晶体管的光耦合器。
2、光达林顿晶体管光耦合器

在上图中,有两种类型的符号,显示了基于光达林顿晶体管 的光耦合器的内部结构。
达林顿晶体管是两个晶体管对,其中一个晶体管控制另一个晶体管基极。在这种配置中,达林顿晶体管提供高增益能力。像往常一样,LED 发出红外 LED 并控制对晶体管的基极。
这种类型的光耦也用于直流电路相关领域的隔离。第 6 个引脚在内部连接到晶体管的基极,用于控制晶体管的灵敏度。4N32、4N33、H21B1、H21B2、H21B3是少数基于光达林顿的光耦合器示例。
3、基于 光三端双向晶闸管的光耦合器

基于 光三端双向晶闸管的光耦合器
光管三端双向晶闸主要用于需要基于 AC 的控制或开关的场合。LED 可以使用 DC 控制,三端双向晶闸 用于控制 AC。
在这种情况下,光耦合器也提供了出色的隔离。这是一个双向可控硅应用程序。基于光 三端双向晶闸 的光耦合器示例是IL420、4N35等。
四、基于晶闸管的光耦合器

基于晶闸管的光耦合器
SCR 代表可控硅整流器,SCR也称为晶闸管。
与其他光耦合器一样,LED 发射红外线。可控硅由 LED 的强度控制。基于光电可控硅的光电耦合器,用于交流相关电路。
基于光 SCR 的光耦合器的几个例子是:- MOC3071、IL400、MOC3072等。
六、光耦合器的作用
1、保护高敏感电路免受高压电路
如果你需要使用带有微控制器的命令来驱动高压电机,那么光耦合器将为开关系统提供电机和微控制器输出之间的完全电气隔离连接。
2、防止高压尖峰
光耦合器还用作具有比保险丝更先进的功能的保险丝。在电路中,光耦合器用于使用数字信号或使用非常低的电压来切换系统,但如果出现电压尖峰或出现浪涌电流,则整个输出电路将不受影响,因为光耦合器仅损坏并停止将当前传递到下一部分。
3、使用光耦合器检测交流电源的过零
由于响应时间非常快(纳秒级),光耦合器的开关非常快,它被广泛用于通过整流器检测交流电源的过零,并且通过使用这个数字信号可以找到我们需要的波形变化。

使用光耦合器检测交流电源的过零
4、用于消除信号中的电噪声
七、光耦合器的应用
直流电路中使用的光耦合器很少,交流相关操作中使用的光耦合器也很少。由于光耦不允许两侧直接电连接,所以光耦的主要应用是隔离两个电路。
从切换其他应用程序,就像可以使用晶体管来切换应用程序一样,可以使用光耦合器。它可用于各种与微控制器相关的操作,其中需要来自高压电路的数字脉冲或模拟信息,光耦合器可用于在这两者之间实现出色的隔离。
光耦可用于交流检测、直流控制相关操作。下面为光耦合器的一些应用。
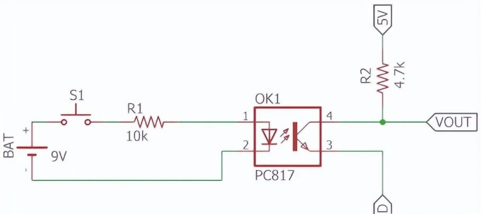
1、用于开关直流电路的光耦合器:

用于开关直流电路的光耦合器
在上面的电路中,使用了基于光电晶体管的光耦合器电路,是一个典型的晶体管开关。
在原理图中,使用了基于低成本光电晶体管的光电耦合器PC817。红外线LED将由 S1 开关控制。当开关打开时,9V 电池电源将通过限流电阻 10k 为 LED 提供电流。强度由 R1 电阻控制。如果我们改变值并降低电阻,LED的强度会很高,使晶体管增益很高。
另一方面,晶体管是由内部红外 LED 控制的光电晶体管,当 LED 发出红外光时,光电晶体管将接触,VOUT 将为 0,关闭连接在其上的负载。根据数据表,晶体管的集电极电流为 50mA,R2 提供 VOUT 5v,R2 是一个上拉电阻。
在这种配置中,基于光电晶体管的光耦合器可以与微控制器一起用于检测脉冲或中断。
2、用于检测交流电压的光耦合器:

用于检测交流电压的光耦合器
这里显示了另一个电路来检测交流电压。红外线 LED 使用两个 100k 电阻控制,使用两个 100k 电阻代替一个 200k 电阻是为了在短路相关条件下提供额外的安全性。LED 连接在墙上插座线 (L) 和中性线 (N) 上。当按下 S1 时,LED 开始发射红外线。光电晶体管做出响应并将 VOUT 从 5V 转换为 0V。
在这种配置中,光耦合器可以跨低压电路连接,例如需要交流电压检测的微控制器单元,输出将产生方形高到低脉冲。
3、使用直流电压控制交流电路的光耦合器:

使用直流电压控制交流电路的光耦合器
在上面电路中,LED 再次由 9V 电池通过 10k 电阻和开关的状态来控制。另一方面,使用基于光电 TRIAC 的光耦合器,从 220V 交流插座控制交流灯。68 R 电阻用于控制 BT136 TRIAC,由光耦单元内部的光电 TRIAC 控制。
这种配置用于控制使用低压电路的电器。IL420 用在上面的原理图中,是一个基于光 TRIAC 的光耦合器。
除了这种类型的电路之外,还可以在 SMPS 中使用光耦合器,将次级侧短路或过流状况信息发送到初级侧。
微信小程序
浙公网安备 33010502006866号